Трубостойка 30238 (Для крепления антенн)
Трубостойка 30238 для крепления антенн и других радиоэлементов на башнях, мачтах и опорах.
Трубостойка 30238 — это специализированное устройство, разработанное для крепления антенн и других радиоэлементов на башнях, мачтах и опорах. Особое внимание уделено прочности и долговечности конструкции, что делает ее идеальной для использования в условиях воздействия агрессивных факторов окружающей среды.
Особенности трубостойки 30238:
- Профессиональная разработка: Разработана специально для Башни ST90, но универсальна и может быть использована на любых типах башен, мачт и опор.
- Высокая прочность: Изготовлена из высокопрочной стали с защитным покрытием, обеспечивающим стойкость к коррозии и механическим нагрузкам.
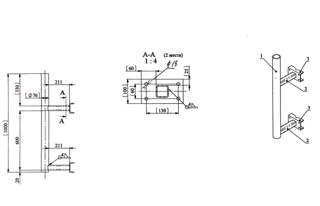
- Габаритные размеры: Длина основной трубы составляет 1000 мм , диаметр — 76 мм (в соответствии с чертежами). Конструкция обеспечивает надежное крепление антенн и оборудования без потери устойчивости.
- Удобство монтажа: Предусмотрены специальные отверстия для крепежа (диаметр отверстий — 18 мм ) и дополнительные элементы фиксации, что значительно упрощает процесс установки.
- Возможность регулировки: Модульная конструкция позволяет адаптировать трубостойку под различные требования монтажа, включая изменение высоты и угла наклона.
Применение трубостойки 30238:
- Крепление антенн и радиооборудования на башнях, мачтах и опорах.
- Установка систем связи, радиолокации и мониторинга.
- Применение в инфраструктуре АМС (автоматизированных метеостанций).
- Установки оборудования РЭБ.
- Использование в условиях экстремальных погодных условий благодаря защищенной конструкции.
Технические характеристики:
- Материал: Высокопрочная сталь с антикоррозионным покрытием.
- Длина: 1000 мм.
- Диаметр трубы: 76 мм.
- Отверстия для крепежа: Диаметр — 18 мм.
- Вес: 12,2 кг (может изменяться в зависимости от конфигурации).
- Комплектация: Включает все необходимые крепежные элементы и инструкцию по монтажу.
Почему стоит выбрать трубостойку 30238?
- Надежность: Гарантирует безопасную и долговременную работу оборудования при любых внешних воздействиях.
- Универсальность: Подходит для различных типов башен и мачт, не требует доработок или дополнительных приспособлений.
- Качество: Производится на современном оборудовании с использованием только сертифицированных материалов.
- Сервис: Предоставляем полную техническую поддержку и гарантию качества.
Как купить трубостойку 30238?
Для заказа трубостойки 30238 свяжитесь с нашими менеджерами через форму обратной связи «Запрос КП» на сайте или по указанным контактным данным. Мы предоставим подробную консультацию, рассчитаем стоимость и организуем доставку в любую точку страны.
| Габариты | 100 × 35 × 17 см |
|---|


